Schémas de guitares
Apex
Aria Pro II
- RS600
- RS600H
- RS850
- RS850 modifiée avec humbucker (série ou parallèle)
- RS850 modifiée avec humbucker (simple ou double)
- RS850 : schéma complet du câblage (preamp+guitare)
- RS850 : schéma du preampli
- RSX80
BMG
Eko
Doug Irwin
Epiphone
Fender
Framus
- 5/120 Billy Lorento : schéma interne
- Strato de Luxe 3 pickup + Organ effect (reissue) : schéma interne
- Strato de Luxe sans organ effect : schéma interne
- Strato de Luxe modifié (Organ effect, Mid Boost Fender, TBX Tone) : schéma interne
- Strato de Luxe Electrona : schéma interne
- Television : schéma interne
Gibson
Godin
Guillatone
Hofner
- 172 V3 : schéma interne
- 173 V3 : schéma interne
- 164 : schéma interne
- HOFNER : schémas des anciennes guitares
Hopf
Schémas personnels
- La Red : Telecaster + piezzo
- La Old Black : Guitare type Les Paul Neil Young
- La piezoStrat : schéma interne stratocaster avec capteurs piezo
- La Woody Q : Double Humbucker avec Q Filter
- La Woody Q BL : Double Humbucker avec Q Filter et Chevalet splitable
- La BB : Micros Gretsch Filtertron et chevalet piezo avec Acousti-Phonic Ghost
- La PL : Micros Gibson P100 avec filtres de tonalités
- La GG : Micros Humbucker et filtres actifs et passifs
- La GG (version 2): Micros Humbucker et boost-preampli
- La Kongo : P90 et Firebird - Preamp Boost et filtres
- La RS1000 : Inspiré d'une ARIA RS1000Z
- La Strat Revisited : Inspiré d'une Fender Stratocaster Clapton et d'une ARIA RS850
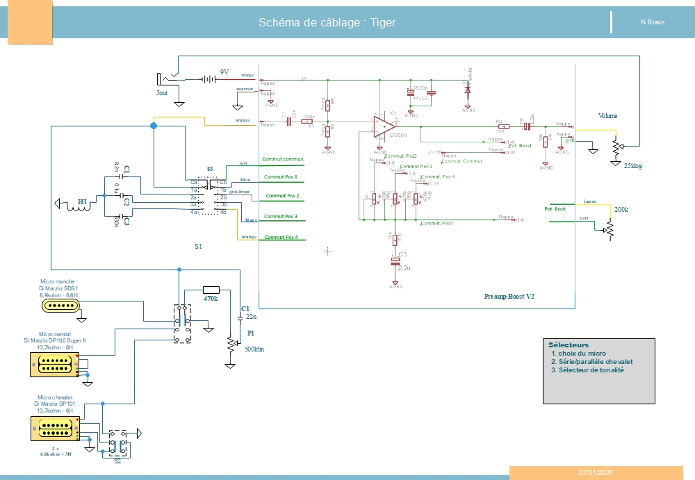
- La Tiger : Inspiré de la célèbre guitare de Jerry Garcia
- La Strat Revisited version 2 : config SHS avec preampli Boost et filtre NFP (Lusihand)